Product Details
Series SMA are very popular tread coupling miniature coaxial connectors, which have the excellet performancs of high reliability, high mechanical strength, high durability, and optimum electrical properties, are widely used to connect RF coaxial cables for mobile communiction equipments and electronic communication instruments.
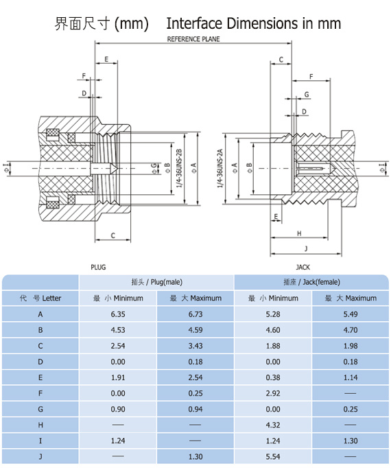
The interface dimensions and technical characteristics are in accord with the specififcations fo MIL-C-39012, IEC 169 -15 and CECC 22110.


Related Products
Product Inquiry